大速电机YBX3系列高效隔爆型三相异步电
YBX3系列电机防爆性能符合GB3836.1-2010《爆炸性环境第1部分:设备通用要求》和GB3836.2-2010《爆炸性环境第2部分:由隔爆外壳“d”保护的设备》的规定,制成隔爆型。
YBX3高效率防爆电机概述
YBX3系列高效率隔爆型三相异步电动机,是在YB3防爆电机的基础上进行了高效节能技术改进,在使用上能够完全取代YB3防爆电机的适用性。效率符合GB18613-2012《中小型三相异步电动机能效限定值及能效等级》中的2 级能效,且具有性能优良,使用安全可靠,振动、噪声比同类产品降的特点,符合环保要求。 YBX3系列高效率隔爆型三相异步电动机电动机防爆性能符合GB3836.1-2010 《爆炸性环境 第1部分:设备 通用要求》和GB3836.2-2010 《爆炸性环境 第2部分:由隔爆外壳“d”保护的设备》的规定,制成隔爆型。防爆标志为Ex d ⅡA T4 Gb、Ex d ⅡB T4 Gb,Ex d ⅡC T4 Gb,适用于有爆炸性气体混合物存在的场所。 Ex d ⅡA T4 Gb 适用于工厂用IIA类,温度组别为T1、T2、T3 和T4 组爆炸性气体混合物存在的环境。Ex d ⅡB T4 Gb 适用于工厂用IIB类,温度组别为T1、T2、T3 和T4 组爆炸性气体混合物存在的环境.Ex d ⅡC T4 Gb 适用于工厂用IIC类,温度组别为T1、T2、T3 和T4 组爆炸性气体混合物存在的环境。
YBX3防爆电机使用环境条件
YBX3防爆电机在YBX3基本系列电动机基础上,也可制成YBX3-W 户外型、YBX3-TH 湿热带型、YBX3-THW户外湿热带型、YBX3-TA 干热带型、YBX3-TAW 户外干热带型、YBX3-T 热带型、YBX3-TW 户外热带型及YBX3-WF1 户外中等防腐蚀型等气候环境条件。
YBX3防爆电机技术参数
额定电压:380、660、1140、380/660、600/1140V。
额定频率:50Hz
功率范围:0.12-375kw
绝缘等级:F
防护等级:IP55
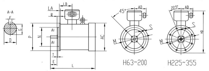
YBX3系列高效率隔爆型三相异步电动机B3安装尺寸及外形尺寸
YBX3系列高效率隔爆型三相异步电动机B5安装尺寸及外形尺寸





